第一種電気工事士 過去問
令和5年度(2023年) 午後
問5 (一般問題 問5)
問題文

このページは閲覧用ページです。
履歴を残すには、 「新しく出題する(ここをクリック)」 をご利用ください。
問題
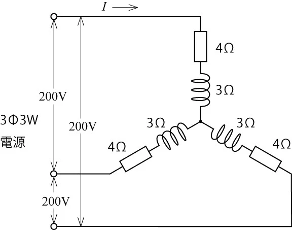
第一種電気工事士試験 令和5年度(2023年) 午後 問5(一般問題 問5) (訂正依頼・報告はこちら)

- 200√3/17
- 40/√3
- 40
- 40√3
正解!素晴らしいです
残念...
この過去問の解説 (3件)
01
∆結線をY結線に変換して、1つの相について考えます。インダクタンスの∆結線をY結線に変換すれば、下の回路が得られます。
1 相あたりのインピーダンスは、
Z = 4 + 3j [Ω]
です。相電圧を位相の基準にとり、
E = 200 / √3 [V]
とします。電流Iは次式で書けます。
I = E / Z = 200 / {√3 ×(4 + 3j) } = 8 × (4 − 3j) / √3 [A]
その大きさは、
|I| = 8 / √3 × √(42 + 32) = 40 / √3 [A]
になります。
値が異なります。
正解です。
値が異なります。
値が異なります。
三相交流を解析する問題は、1つの相に注目すると考えやすいです。この問題では、インダクタンスがΔ結線になっているので、まず、これをY結線に変換します。
参考になった数8
この解説の修正を提案する
02
三相交流回路に流れる電流値を求める問題です。
中心のΔ負荷回路をY負荷回路に投下変化したものと考えます。
リアクタンスは1/3となり、1相のインピーダンスZは、Z=√42+32=5となります。
1相の電圧は200√3になる為に、そこから200√3/5になって、40√3となります。
誤:計算結果と異なる為に不正解です。
正:計算結果からこれが正解となります。
誤:計算結果と異なる為に不正解です。
誤:計算結果と異なる為に不正解です。
三相交流の値を求めるために√3が何かしらの形で出てきます。
そこから選択肢が絞れることとΔとYの変換が出来れば、計算が出来ると思います。
参考になった数4
この解説の修正を提案する
03
三相交流回路に流れる電流を求める問題です。
この問題を解くポイントとしては、計算しやすいようにΔーY変換して計算することです。
ΔーY変換時:R→R,XL→XL/3,XC→3XC
Y-Δ変換時:R→R,XL→3XL,XC→XC/3
上記のポイントを当てはめて計算していくと
インピーダンスZ=√R2+(XL/3)2=√42+(9/3)2=5Ω
Y結線時の1相分の電圧は200/√3となるため、回路に流れる電流Iは
I=200/√3/5=40/√3A
となります。
誤りです。
正解です。
誤りです。
誤りです。
問題によって、Y-Δ変換かΔーY変換どちらが計算しやすいか見極めていきましょう。
参考になった数0
この解説の修正を提案する
前の問題(問4)へ
令和5年度(2023年) 午後 問題一覧
次の問題(問6)へ