第一種電気工事士 過去問
令和6年度(2024年)下期
問45 (配線図問題 問5)

このページは閲覧用ページです。
履歴を残すには、 「新しく出題する(ここをクリック)」 をご利用ください。

問題

第一種電気工事士試験 令和6年度(2024年)下期 問45(配線図問題 問5) (訂正依頼・報告はこちら)

図は、高圧受電設備の単線結線図である。この図の矢印で示す10箇所に関する各問いに対して、答えを1つ選びなさい。
〔注〕図において、問いに直接関係のない部分等は、省略又は簡略化してある。

⑤の部分に施設する機器と使用する本数として、適切なものは。
問題文の画像
  • 解答選択肢の画像
  • 解答選択肢の画像
  • 解答選択肢の画像
  • 解答選択肢の画像

次の問題へ

正解!素晴らしいです

残念...

この過去問の解説 (3件)

01

この問題は、高圧受電設備の回路図において、図の位置に施設する機器と使用する本数について問うものです。回路図で示された位置に実際に設置される機器とその適切な本数を選択肢の写真から正しく選ぶ必要があります。

選択肢1. 解答選択肢の画像

写真に示されているのは高圧限流ヒューズ 4本です。これは短絡電流を限流・遮断するための機器であり、図の位置(三相三線式高圧回路と接地線)に施設する必要がある機器として適切です。しかし必要な本数が不足しています。
この選択肢は不正解です。

選択肢2. 解答選択肢の画像

写真に示されているのは高圧限流ヒューズ 4本です。これは短絡電流を限流・遮断するための機器であり、図の位置(三相三線式高圧回路と接地線)に施設する必要がある機器として適切です。三相回路の各相用に3本と中性点接地用に1本、合計4本が必要となります。
この選択肢は正解です。

選択肢3. 解答選択肢の画像

写真に示されているのは高圧ポリマー避雷器 2本です。これは雷サージから電気設備を保護するための機器ですが、図の位置に施設する機器としては適切ではありません。また避雷器の必要本数も異なります。
この選択肢は不正解です。

選択肢4. 解答選択肢の画像

写真に示されているのは高圧ポリマー避雷器 4本です。これは雷サージから電気設備を保護するための機器ですが、図の位置に施設する機器としては適切ではありません。
この選択肢は不正解です。

まとめ

高圧受電設備の図面上の位置には高圧限流ヒューズが施設され、三相三線式回路と接地線のために合計4本必要となります。高圧限流ヒューズは短絡事故時の電流を制限し、安全に回路を遮断する重要な役割を持っています。

参考になった数17

02

この問題は高圧受電設備の単線結線図上についての正しい知識が求められます。

 

該当する⑤の機器は、受電盤用電気監視回路内にて接続されています。

 

そして、左端には避雷器の図記号もあるので、電気の流れを監視することに関連したものと見当をつけることができます。

選択肢1. 解答選択肢の画像

この選択肢は不正解です。

この写真は高圧限流ヒューズです。
 

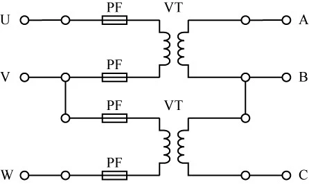
高圧限流ヒューズとは、電力ヒューズの一種で「パワーヒューズ(Power Fuse)」或いは略して「PF」と呼ぶこともあります。
高圧受電設備の過電流への保護装置として利用されます。
回路図では三相3線なので、2本では不十分です。

 

選択肢2. 解答選択肢の画像

この選択肢は正解です。

先ほど述べたように三相高圧では、計器用変圧器を2台使うので、高圧限流ヒューズも4本使うことになります。

 

従ってこの選択肢が適切な本数となります。

選択肢3. 解答選択肢の画像

この選択肢は不正解です。

⑤の図記号は高圧限流ヒューズであり、この写真とは違います。

選択肢4. 解答選択肢の画像

この選択肢は不正解です。

⑤の図記号は高圧限流ヒューズであり、この写真とは違います。

まとめ

この問題を解くにあたり必要な注意事項を以下のようにまとめました。

⑤の図記号が示されている回路はCB型高圧受電設備の結線図です。これを正しく理解していることが求められます。
そして、この⑤の機器が使用されている回路は受電盤用電気監視回路です。この回路では、高圧電路に流れる電気の
状況を計器で監視するほか、異常があれば遮断機を駆動して電路を遮断することになっています。

 

こういう用途で使用されるものとして高圧限流ヒューズという選択肢が想定されるということになります。

 

参考になった数14

03

⑤の部分に施設する機器は、高圧限流ヒューズ(PF, Power Fuse)です。この限流ヒューズは計器用変圧器(V2V)の1次側に設置され、変圧器側に短絡事故が生じたときに回路を切断し、その影響が電源側に波及しないようにするためのものです。計器用変圧器のV2Vの記号は、2台の変圧器をV-V結線により接続していることを示しています。限流ヒューズは、この2台の変圧器それぞれの1次側巻線の両側に接続されます。よって、使用する限流ヒューズの数は4本です。

 

選択肢1. 解答選択肢の画像

この写真は限流ヒューズですが、本数が不足しています。

選択肢2. 解答選択肢の画像

正しい選択肢です。

選択肢3. 解答選択肢の画像

この写真は低圧用のヒューズと思われます。本数も不足しています。

選択肢4. 解答選択肢の画像

この写真は低圧用のヒューズと思われます。

参考になった数5