第三種電気主任技術者(電験三種) 過去問
令和2年度(2020年)
問9 (理論 問9)
問題文
このページは閲覧用ページです。
履歴を残すには、 「新しく出題する(ここをクリック)」 をご利用ください。
問題
第三種電気主任技術者(電験三種)試験 令和2年度(2020年) 問9(理論 問9) (訂正依頼・報告はこちら)
正解!素晴らしいです
残念...
MENU
あ
か
さ
た
な
は
ま
や
ら
あん摩マッサージ指圧師
1級管工事施工管理技士
1級建築施工管理技士
1級電気工事施工管理技士
1級土木施工管理技士
運行管理者(貨物)
2級ファイナンシャル・プランニング技能士(FP2級)
3級ファイナンシャル・プランニング技能士(FP3級)
貸金業務取扱主任者
危険物取扱者(乙4)
給水装置工事主任技術者
クレーン・デリック運転士
ケアマネジャー(介護支援専門員)
国内旅行業務取扱管理者
社会保険労務士(社労士)
大学入学共通テスト(国語)
大学入学共通テスト(地理歴史)
大学入学共通テスト(世界史)
大学入学共通テスト(公民)
大学入学共通テスト(数学)
第三種電気主任技術者(電験三種)
宅地建物取引士(宅建士)
調剤報酬請求事務技能認定
賃貸不動産経営管理士
2級管工事施工管理技士
2級建築施工管理技士
2級電気工事施工管理技士
2級土木施工管理技士
JLPT(日本語能力)
建築物環境衛生管理技術者(ビル管理士)
問題文
このページは閲覧用ページです。
履歴を残すには、 「新しく出題する(ここをクリック)」 をご利用ください。
第三種電気主任技術者(電験三種)試験 令和2年度(2020年) 問9(理論 問9) (訂正依頼・報告はこちら)
正解!素晴らしいです
残念...
この過去問の解説 (3件)
01
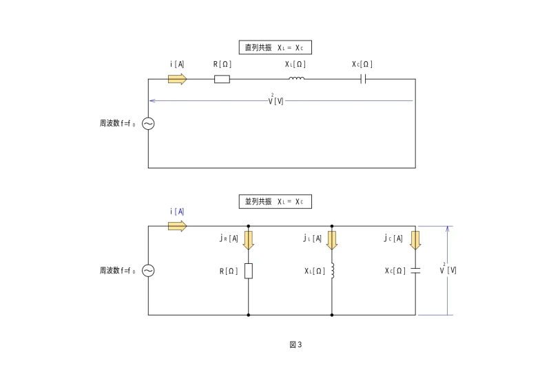
回路Aで、抵抗Rの電圧VR、コイルの電圧VL、コンデンサの電圧VCは、電流をIとすると、下記の式で求めることができます。
VR = RI
VL = jωLI
VC = −j(1/ωC)I
これらより電圧Vについて、下記の式が成り立ちます。
V = VR + VL +VC
V = RI + jωLI − j(1/ωC)I
V = RI + j(ωL − (1/ωC))I
上記の式より、ベクトルの位相に下記のような関係にあります。
・VRは電圧Vと位相差なし。
・VLは電圧Vよりも90°進んでいる。
・VCは電圧Vよりも90°遅れている。
回路Bで、抵抗Rの電流IR、コイルの電流IL、コンデンサの電流ICは、下記の式で求めることができます。
IR = R/V
IL = −j(1/ωL)V
IC = jωCV
これらより、電流Iについて、下記の式が成り立ちます。
I = IR + IL + IC
I = (R/V) − j(1/ωL)V + jωCV
I = (R/V) + j(ωC-(1/ωL))V
上記の式より、ベクトルの位相に下記のような関係にあります。
・IRは電流Iと位相差なし。
・ILは電流Iよりも90°遅れている。
・ICは電流Iよりも90°進んでいる。
正しいです。
参考になった数10
この解説の修正を提案する
02
正解は「2」です。
RLC直列共振および並列共振回路に関する問題です。
◆共振について
・問題文中のA・B回路において,それぞれ ω2LC = 1 が成り立っていますので,
「共振」している状態になります。
・共振していると,コイルの電圧とコンデンサーの電圧が打ち消し合い,電源の電圧がすべて抵抗に掛かります。この時の周波数を共振周波数と言います。
◆直列共振について(回路A)
・電流位相 I に対し VL は 90°進み,VCは90°遅れ位相となります。
・電流位相 I に対し VR は同位相となります。
◆並列共振について(回路B)
・電圧位相 V に対し IC は 90°進み,IL は90°遅れ位相となります。
・電圧位相 V に対し IR は同位相となります。
よって,正解は「2」となります。
参考になった数7
この解説の修正を提案する
03
交流回路のベクトルに関する問題で回路Aと回路Bの電圧ベクトルと電流ベクトルの正しい組合せを選択する形となります。
問題文より【両回路においてそれぞれω2LC=1が成り立つ】とありますが、これは言い換えると「共振」状態が成り立っていると言えます。式で証明すると以下のようになります。
・ω2LC=1
・ωL=1/ωC ※ωL=XL、1/ωC=XC
図3より、直列、並列回路共にXL=XCが成り立ち、インダクタンスL[H]のコイル、静電容量C[F]のコンデンサのリアクタンスXが打ち消し合う結果となり、抵抗R[Ω]のみがインピーダンスZ[Ω]となります。
よって回路Aと回路Bの抵抗Rに流れる電圧と電流は電源電圧V[V]と同相となり回路Aの電圧VRは電源電圧Vとイコールとなります。
続いて回路Aのコイルの電圧VLと静電容量の電圧VCのベクトルを考えます。
上記図より、直列回路ではコイルの電圧VLは抵抗Rの電圧VRより90°進みとなります。また静電容量の電圧VCは抵抗Rの電圧VRより90°遅れとなります。
続いて回路Bのコイルの電流ILと静電容量の電流ICのベクトルを考えます。
コイルの電流ILは抵抗Rの電流IRより90°遅れとなります。また静電容量の電流ICは抵抗Rの電圧VRより90°進みとなります。
以上を踏まえて要点ポイントをまとめると次のようになります。
①回路AのVRは電源電圧Vと同相である。
②回路Bの電流IRは電源電圧Vと同相である。
③回路AのVLは90°進み、回路BのVCは90°遅れとなる。
④回路AのILは90°遅れ、回路BのICは90°進みとなる。
以上の条件に合致する選択肢を選びましょう。
解説の冒頭の条件にすべて合致するのでこちらが適切な解答となります。
ベクトル和の問題は電気主任技術者試験を目指される方にとっては必須科目の問題と言えますので、基礎から徹底的に学習されることをおすすめいたします。
参考になった数0
この解説の修正を提案する
前の問題(問8)へ
令和2年度(2020年) 問題一覧
次の問題(問10)へ