第三種電気主任技術者(電験三種) 過去問
令和6年度(2024年)上期
問5 (理論 問5)
問題文

このページは閲覧用ページです。
履歴を残すには、 「新しく出題する(ここをクリック)」 をご利用ください。
問題
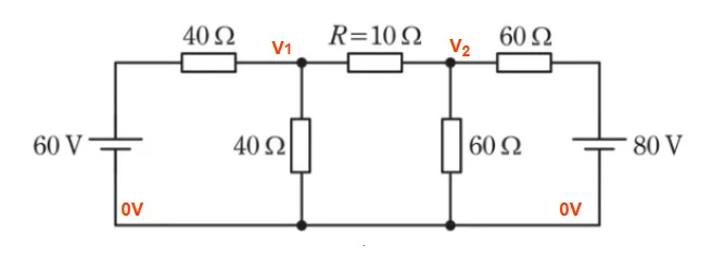
第三種電気主任技術者(電験三種)試験 令和6年度(2024年)上期 問5(理論 問5) (訂正依頼・報告はこちら)

- 0.28
- 1.89
- 3.79
- 5.36
- 7.62
正解!素晴らしいです
残念...
この過去問の解説 (3件)
01
2つの電源から構成される回路の抵抗での消費電力を求める計算問題です。
各電源と抵抗には、下図のような量記号を暫定的につけています。
いくつか解法がありますが、ここでは重ね合わせの理を使って解いていきます。
◆V1=60[V]の電源から見たR=10[Ω]に流れる電流を求めます
電源をV1のみにした回路図は下図のようになります。
・R3とR4の合成抵抗を求めます
R34=(R3R4)/(R3+R4)
=(60✕60)/(60+60)
=30[Ω]
・RとR34の合成抵抗を求めます
R'=R+R34
=10+30
=40[Ω]
・R2とR'の合成抵抗を求めます
R"=(R2R')/(R2+R')
=(40✕40)/(40+40)
=20[Ω]
・R1とR"の合成抵抗を求めます
Rv10=R1+R"
=40+20
=60[Ω]
・V1=60[V]の電源から見た回路に流れる電流を求めます
Iv1=V1/RV10
=60/60
=1[A]
・V1=60[V]の電源から見たR=10[Ω]に流れる電流を分流の法則から求めます
I1={R2/(R2+R')}✕Iv1
={40/(40+40)}✕1
=0.5[A]
◆V2=80[V]の電源から見たR=10[Ω]に流れる電流を求めます
電源をV2のみにした回路図は下図のようになります。
・R1とR2の合成抵抗を求めます
R12=(R1R2)/(R1+R2)
=(40✕40)/(40+40)
=20[Ω]
・RとR12の合成抵抗を求めます
R'=R+R12
=10+20
=30[Ω]
・R3とR'の合成抵抗を求めます
R"=(R3R')/(R3+R')
=(60✕30)/(60+30)
=20[Ω]
・R4とR"の合成抵抗を求めます
Rv20=R4 +R"
=60+20
=80[Ω]
・V2=80[V]の電源から見た回路に流れる電流を求めます
Iv2=V2/RV20
=80/80
=1[A]
・V2=80[V]の電源から見たR=10[Ω]に流れる電流を分流の法則から求めます
I2={R3/(R3+R')}✕Iv2
={60/(60+30)}✕1
≒0.667[A]
◆R=10[Ω]に流れる電流を求めます
R=10[Ω]に流れる電流をI[A]と仮称すると、
I=I2−I1
=0.667-0.5
=0.167[A]
※この問題で電流の向きまでは問われていないので、差分が分かるだけでOK
◆R=10[Ω]で消費する電力を求めます
P=RI2
=10✕0.1672
=0.27889[W]
≒0.28[W]
令和5年下期 理論 問5で、値も全く同じ問題が出題されています。
こちらではテブナンの定理を使った解説がされているので、確実に解ける方を模索してみてください。
参考になった数15
この解説の修正を提案する
02
この問題は直流回路に関する計算問題です。
問題の回路に着目すると2つの直流電圧源と5つの抵抗で構成されている直並列回路となります。問題では抵抗R=10Ωで消費される電力の値[W]を求める形となるので以下の公式を用いて求めたいと思います。
・P=I2R[W]‥①
よって、まずは未知数である抵抗R=10Ωにながれる電流I[A]を求めていきます。
10Ωの抵抗の両端の電圧はそれぞれ以下のようになります。
・【向かって右側の回路】80×60/60+60=40[V]
・【向かって左側の回路】60×40/40+40=30[V]
抵抗の両端にかかる電圧は分圧式で求める事ができ、その結果から10Ωの抵抗にかかる端子間電圧を求めます。
・V10=40-30=10[V]
次に回路全体の合成抵抗を考えます。
・【向かって右側の回路】60×60/60+60=30[Ω]
・【向かって左側の回路】40×40/40+40=20[Ω]
※和分の積で各抵抗を求めましたが、2つの直並列回路の抵抗値が同じであれば単純に1/2となるので、その事を理解していれば計算の手間が省けます。
回路全体の合成抵抗は次のようになります。
・R0=30+10+20=60[Ω]
以上を踏まえてオームの法則を利用して電流I[A]を求めます。
・I=V/R0=10/60≒0.167[A]
最後に①式に代入して電力の値[W]を求めます。
・P=I2R=0.1672×10≒0.28[W]
以上のようになります。
こちらが適切な解答となります。
今回はテブナンの定理を用いて求めましたが、他に重ね合わせの理などの解き方もありますので自分にあった方法で問題に挑まれる事をお薦め致します。
参考になった数8
この解説の修正を提案する
03
2つの電源から構成される回路において、抵抗で消費される電力を求める問題です。
図に示すように、下側を0Vの基準として、V1、V2を置きます。
V1、V2のそれぞれの点の流出電流の総和が0であると見立てると、
(1)(V1-60)/40+(V1-V2)/10+(V1-0)/40=0
(2)(V2-V1)/10+(V2-80)/60+(V2-0)/60=0
と表すことができます。
この両式を解くと、
V1=100/3[V]
V2=35[V]
となります。
抵抗Rにかかる電圧VRは、
VR=V1-V2=-5/3[V]
と求められます。
よって、電力Pは、
P=VR2/R=(5/3)2/10=0.28[W]
と求められます。
参考になった数0
この解説の修正を提案する
前の問題(問4)へ
令和6年度(2024年)上期 問題一覧
次の問題(問6)へ